Product Description

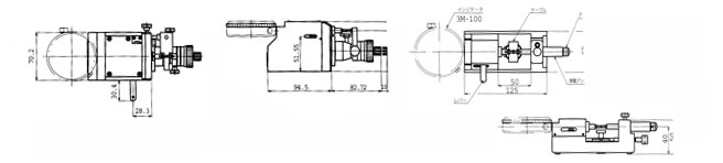
MEI-1
- With high-precision sub-card adjustment, the absolute value of the outer diameter can be measured
- It can be equipped with 3M-100 gauge, or with electronic gauges such as DIGMETRON, ELEMETRON, etc.
- Can control and adjust the measuring force from 0.98N to 2.94N, suitable for different qualities
- Quickly move the wrench to maintain the uniformity of the measurement force

H-2B/H-2LB
- Can get fast and high-precision comparative measurement
- It can be equipped with 3M-100 gauge, or with electronic gauges such as DIGMETRON, ELEMETRON, etc.
- The worktable can be moved back and forth to match the workpiece measurement
- Quickly move the wrench to maintain the uniformity of the measurement force
Horizontal inner diameter measuring seat
BST-1B
Large measuring range
Measuring depth and measuring force
Adjustable
BST-1B
Large measuring range
Measuring depth and measuring force
Adjustable

Horizontal inner diameter measuring seat
BST-1B
Large measuring range
Measuring depth and measuring force
Adjustable
BST-1B
Large measuring range
Measuring depth and measuring force
Adjustable

BST-3LB
The inner diameter measurement of large-scale work within 260MM, the measuring depth and measuring force can be adjusted
The inner diameter measurement of large-scale work within 260MM, the measuring depth and measuring force can be adjusted

Product Specification
| Type | MEI-1 | H-2B | H-2LB | BST-1B | BST-2B | BST-3LB |
|---|---|---|---|---|---|---|
| Measuring range | 0-10mm | 0-25mm | 18-45mm | Φ4-67mm | Φ2-23mm | Φ10-260mm |
| Measuring depth adjustment | 15mm | 3mm | 15mm | |||
| Precision | 2um | |||||
| Determination power | 0.98-2.94N | Measuring power like a scale | 0.98-2.94N | 1.47N | 0.98-4.90N | |
| Probe stroke | 3mm | 1mm | 5mm | |||
| Standard probe | F-150 | F-150 | F-150 | F050 | F060 | F070,F071,F072,F023 |
Related Products









